联系电话:
400-966-9098
产品详情
产品概述
手柄消防沟槽蝶阀***有安装快速、简易、安全、可靠、不受安装场地限制、便于管道与阀门的维修保养,有隔振隔音与一定的角度范围内有克服管道连接不同轴而产生仿差,解决温差所产生热胀冷缩等优点。广泛应用于输送流体管道的给排水,消防、空调、燃气、石油、化工、水处理、市政、造船等管道工程作为控制流体作用。
产品特点
1、阀门采用中线型密封结构设计,扭矩轻,密封性能好;
2、蝶板、阀杆采用无销设计连接,连接可靠性好;
3、蝶板整体采用包胶硫化,耐腐蚀性好;
4、阀门与管道的连接采用卡箍连接形式,安装方便、快速;
5、阀门的驱动方式多样化,可配置把手操作、蜗轮蜗杆操作、电动及气动操作方式。

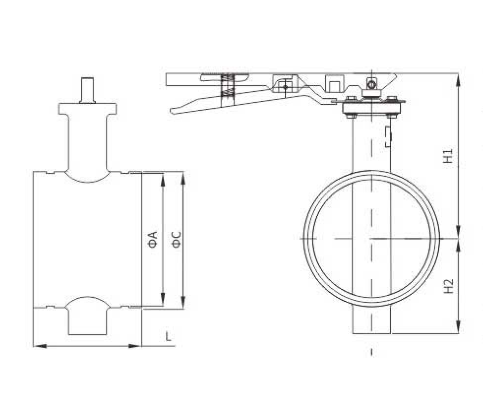
主要外形连接尺寸
型号 | DN | ΦA | ΦC | L | H1 | H2 |
ZSDF 8-Q-50-16-D81X | 50 | 57.2 | 60.3 | 88 | 136 | 62 |
ZSDF 8-Q-65-16-D81X | 65 | 72.3 | 76.1 | 96 | 142 | 70 |
ZSDF 8-Q-80-16-D81X | 80 | 84.9 | 88.9 | 96 | 149 | 79 |
ZSDF 8-Q-100-16-D81X | 100 | 110.1 | 114.3 | 115 | 173 | 94 |
ZSDF 8-Q-125-16-D81X | 125 | 135.5 | 139.7 | 115 | 187 | 108 |
ZSDF 8-Q-150-16-D81X | 150 | 160.8 | 165.1 | 132 | 201 | 117 |

:13372267205


