联系电话:
400-966-9098
产品详情
产品概述
蜗轮消防对夹蝶阀是自动喷水灭火系统中的重要组成部件。由蜗轮蜗杆传动装置驱动转轴及蝶板旋转实现启闭和控制流量。通过旋转蜗轮蜗杆传动装置手轮,使蝶板达到启闭及调节流量的目的,手轮顺时针方向旋转为阀门关闭。在传动装置箱体内设有微动开关,可输出阀门的关闭和打开信号,显示蝶板所处的不同位置。
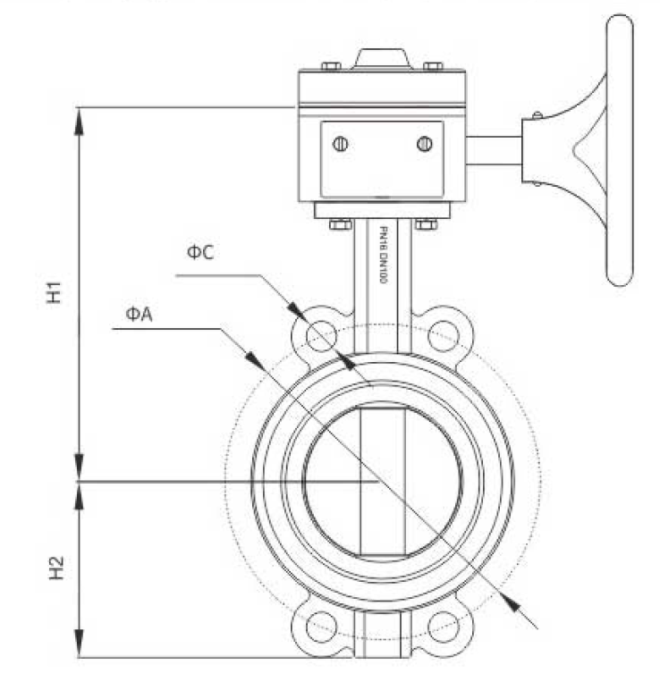
产品尺寸图

主要外形连接尺寸
型号 | DN | ΦA-ΦC | L | H1 | H2 | ΦD |
ZSDF 7-Q-50-D371X | 50 | 110-16 125-16 | 42 | 182 | 70 | 145 |
ZSDF 7-Q-65-D371X | 65 | 145-18 | 44 | 187 | 75 | 145 |
ZSDF 7-Q-80-D371X | 80 | 160-18 | 46 | 196 | 90 | 145 |
ZSDF 7-Q-100-D371X | 100 | 180-20 | 52 | 211 | 105 | 145 |
ZSDF 7-Q-125-D371X | 125 | 210-24 | 54 | 224 | 115 | 145 |
ZSDF 7-Q-150-D371X | 150 | 240-25 | 55 | 238 | 131 | 145 |
ZSDF 7-Q-200-D371X | 200 | 393-23 305-23 | 60 | 271 | 175 | 280 |
ZSDF 7-Q-250-D371X | 250 | 355-25 | 64 | 313 | 200 | 280 |
ZSDF 7-Q-300-D371X | 300 | 410-29 | 77 | 377 | 293 | 280 |

:13372267205


