联系电话:
400-966-9098
产品详情
产品概述
消防对夹蝶阀是引进国外先进技术而自行开发的中线型蝶阀,它***有结构简单,密封可靠,开启轻便、寿命长、维护方便等优点。故被广泛地应用于给排水、建筑消防等系统各种管道上,尤其在消防管路中。本信号阀可明白无误的显示出阀门开关状态,***有直观、清晰、可靠的反映出消防系统中的工作状态,所以广泛、大量的适用于消防系统中。

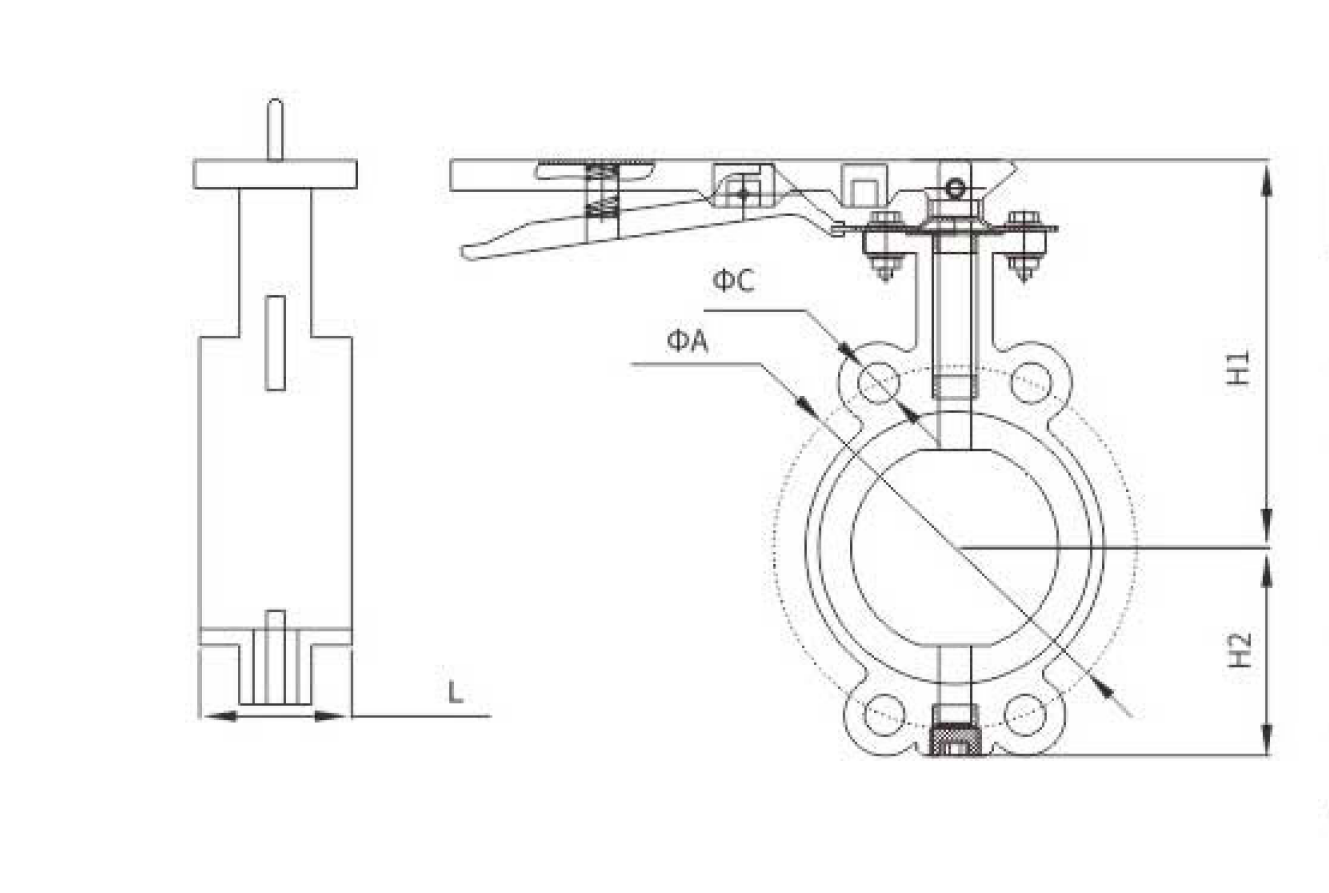
主要外形连接尺寸
型号Model | DN | ΦA-ΦC | L | H1 | H2 |
ZSDF 7-Q-50-D71X | 50 | 110-16 125-16 | 42 | 163 | 70 |
ZSDF 7-Q-65-D71X | 65 | 145-18 | 44 | 168 | 75 |
ZSDF 7-Q-80-D71X | 80 | 160-18 | 46 | 177 | 90 |
ZSDF 7-Q-100-D71X | 100 | 180-20 | 52 | 192 | 105 |
ZSDF 7-Q-125-D71X | 125 | 210-24 | 51 | 205 | 115 |
ZSDF 7-Q-150-D71X | 150 | 240-25 | 55 | 219 | 131 |



