联系电话:
400-966-9098
产品详情
产品概述
消防信号法兰蝶阀是自动喷水灭火系统中的重要组成部件。由蜗轮蜗杆传动装置驱动转轴及蝶板旋转实现启闭和控制流量。通过旋转蜗轮蜗杆传动装置手轮,使蝶板达到启闭及调节流量的目的,手轮顺时针方向旋转为阀门关闭。在传动装置箱体内设有微动开关,可输出阀门的关闭和打开信号,显示蝶板所处的不同位置。
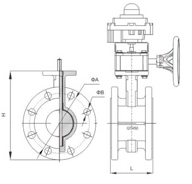
产品尺寸图

主要外形连接尺寸
型号 | DN | L | H | A | B |
ZSXDF 4-Q-50-EX | 50 | 108 | 200 | 125 | 4-Φ18 |
ZSXDF 4-Q-65-EX | 65 | 112 | 218 | 145 | 4-Φ18 |
ZSXDF 4-Q-80-EX | 80 | 114 | 232 | 160 | 4-Φ18 |
ZSXDF 4-Q-100-EX | 100 | 127 | 245 | 180 | 8-Φ18 |
ZSXDF 4-Q-125-EX | 125 | 140 | 290 | 210 | 8-Φ23 |
ZSXDF 4-Q-150-EX | 150 | 140 | 320 | 240 | 8-Φ23 |
ZSXDF 4-Q-200-EX | 200 | 152 | 388 | 295 | 12-Φ23 |
ZSXDF 4-Q-250-EX | 250 | 165 | 477 | 355 | 12-Φ25 |
ZSXDF 4-Q-300-EX | 300 | 178 | 536 | 410 | 12-Φ23 |

:13372267205


