联系电话:
400-966-9098
产品详情
产品概述
预作用装置(法兰)是预作用喷水系统中的主要组件。由预作用报警阀组、控制盘、气压维持装置和空气供给装置组成,通过电动或手动方法进行开启,使水能够单向流入喷水系统同时进行报警的一种单向阀组装置。预作用系统将火灾探测和自动喷水灭火系统结合起来,对保护对象起双重保护作用。未发生火灾时,系统侧管路充气,雨淋阀将水封闭于供水管道上,发生火灾后,控制中心向预作用装置发出启动信号,预作用装置打开,系统转为湿式管网。适用于寒冷、冰冻、高温、忌水渍、不允许误喷水的重要场所。如图书馆、计算机房、寒冷地区的地下车库等。
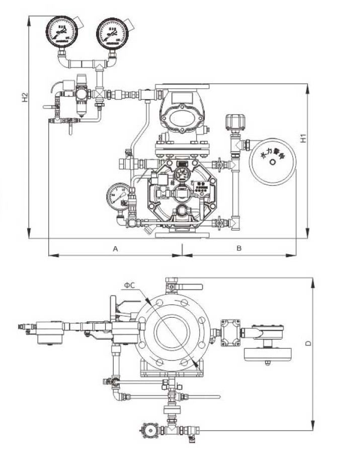
产品尺寸图

主要外形连接尺寸
型号 | DN | A | B | D | H1 | H2 | φC | 螺栓孔 |
ZSFY 100 1.6(Q-F) | 100 | 550 | 360 | 410 | 610 | 780 | 180 | 8-φ18 |
ZSFY 150 1.6(Q-F) | 150 | 550 | 480 | 485 | 730 | 880 | 240 | 8-φ23 |
ZSFY 200 1.6(Q-F) | 200 | 570 | 508 | 540 | 885 | 1104 | 295 | 12-φ23 |
ZSFY 250 1.6(Q-F) | 250 | 615 | 538 | 635 | 1105 | 1315 | 355 | 12-φ25 |

:13372267205


