联系电话:
400-966-9098
产品详情
产品概述
三偏心金属硬密封蝶阀采用精密的J形弹性密封圈和三偏心多层次金属硬密封结构,被广泛用于介质温度≤425℃的治金、电力、石油化工、以及给排水和市政建设等工业管道上,作调节流量和载断流体使用。该阀采用三偏心结构,阀座与碟板密封面均采用不同硬度和不锈钢制作,***有良好的耐腐蚀性,使用寿命长,产品符合国家GB/T13927-92阀门压力试验标准。
结构阀特点
1、本阀采用三偏心密封结构,阀座与蝶板几乎无磨损,***有越观越紧的密封功能。
2、密封圈选用不锈钢制作,***有金属硬密封和弹性密封的双重优点,无论在低温和高温的情况下,均***有优良的密封性能,***有耐腐蚀,使用寿命长等特点。
3、碟板密封面采用堆焊钴基硬质合金,密封面耐磨损,使用寿命长.
4、大规格蝶板采用绗架结构,强度高,过流面积大,流阻小。
5、本阀***有双向密封功能,安装时不受介质流向的限制,也不受空间位置的影响,可在任何方向安装。
6、驱动装置可以多工位(旋转90°或180°)安装,便于用户使用。

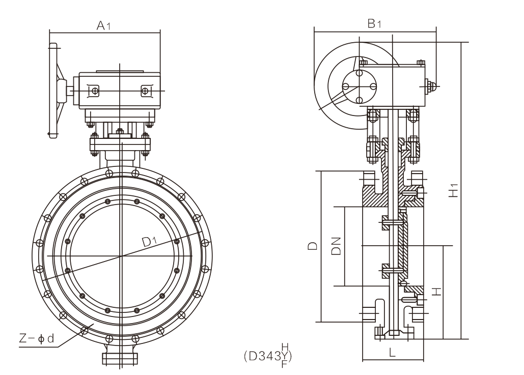
主要外形连接尺寸
| DN | L | H | D343H | D643H | D943H | PN0.25MPa | PN0.6MPa | PN1.0MPa | ||||||||||||||
| 毫米mm | 英 寸 in | 短 | 长 | H1 | A1 | B1 | H2 | A2 | B2 | H3 | A3 | B3 | D | D1 | Z-φd | D | D1 | Z-φd | D | D1 | Z-φd | |
| 40 | 1-1/2 | 106 | 140 | 107 | 330 | 180 | 200 | 605 | 245 | 72 | 530 | 250 | 255 | 130 | 100 | 4-14 | 130 | 100 | 4-14 | 150 | 110 | 4-18 |
| 50 | 2 | 108 | 150 | 112 | 350 | 180 | 200 | 625 | 245 | 72 | 530 | 250 | 255 | 140 | 110 | 4-14 | 140 | 110 | 4-14 | 165 | 125 | 4-18 |
| 65 | 2-1/2 | 112 | 170 | 115 | 370 | 180 | 200 | 645 | 245 | 72 | 530 | 250 | 255 | 160 | 130 | 4-14 | 160 | 130 | 4-14 | 185 | 145 | 8-18 |
| 80 | 3 | 114 | 180 | 120 | 380 | 180 | 200 | 675 | 355 | 92 | 565 | 250 | 255 | 190 | 150 | 4-18 | 190 | 150 | 4-18 | 200 | 160 | 8-18 |
| 100 | 4 | 127 | 190 | 138 | 420 | 180 | 200 | 715 | 355 | 92 | 600 | 250 | 255 | 210 | 170 | 4-18 | 210 | 170 | 4-18 | 220 | 180 | 8-18 |
| 125 | 5 | 140 | 200 | 164 | 460 | 180 | 200 | 800 | 355 | 92 | 640 | 250 | 255 | 240 | 200 | 8-18 | 240 | 200 | 8-18 | 250 | 210 | 8-18 |
| 150 | 6 | 140 | 210 | 175 | 555 | 270 | 280 | 850 | 250 | 170 | 705 | 300 | 315 | 265 | 225 | 8-18 | 265 | 225 | 8-18 | 285 | 240 | 8-22 |
| 200 | 8 | 152 | 230 | 200 | 760 | 400 | 425 | 925 | 250 | 170 | 775 | 300 | 315 | 320 | 280 | 8-18 | 320 | 280 | 8-18 | 340 | 295 | 8-22 |
| 250 | 10 | 165 | 250 | 243 | 830 | 400 | 425 | 1035 | 450 | 220 | 945 | 300 | 315 | 375 | 335 | 12-18 | 375 | 335 | 12-18 | 395 | 350 | 12-22 |
| 300 | 12 | 178 | 270 | 250 | 895 | 450 | 560 | 1070 | 450 | 220 | 1070 | 300 | 315 | 440 | 395 | 12-22 | 440 | 395 | 12-22 | 445 | 400 | 12-22 |
| 350 | 14 | 190 | 290 | 280 | 950 | 450 | 560 | 1190 | 450 | 280 | 1140 | 300 | 315 | 490 | 445 | 12-22 | 490 | 445 | 12-22 | 505 | 460 | 16-22 |
| 400 | 16 | 216 | 310 | 305 | 1190 | 535 | 580 | 1250 | 650 | 280 | 1210 | 300 | 315 | 540 | 495 | 16-22 | 540 | 495 | 16-22 | 565 | 515 | 16-26 |
| 450 | 18 | 222 | 330 | 350 | 1255 | 535 | 580 | 1295 | 650 | 280 | 1335 | 575 | 714 | 595 | 550 | 16-22 | 595 | 550 | 16-22 | 615 | 565 | 20-26 |
| 500 | 20 | 229 | 350 | 380 | 1305 | 535 | 580 | 1455 | 850 | 380 | 1415 | 575 | 714 | 645 | 600 | 20-22 | 645 | 600 | 20-22 | 670 | 620 | 20-26 |
| 600 | 24 | 267 | 390 | 445 | 1340 | 570 | 660 | 1585 | 850 | 380 | 1605 | 656 | 810 | 755 | 705 | 20-26 | 755 | 705 | 20-26 | 780 | 725 | 20-30 |
| 700 | 28 | 292 | 430 | 480 | 1520 | 750 | 550 | 1700 | 1250 | 380 | 1844 | 656 | 810 | 860 | 810 | 24-26 | 860 | 810 | 24-26 | 895 | 840 | 24-30 |
| 800 | 32 | 318 | 470 | 530 | 1710 | 750 | 550 | 1865 | 1250 | 380 | 2040 | 656 | 810 | 975 | 920 | 24-30 | 975 | 920 | 24-30 | 1015 | 950 | 24-33 |
| 900 | 36 | 330 | 510 | 580 | 1810 | 750 | 550 | 2015 | 1500 | 580 | 2255 | 785 | 863 | 1075 | 1020 | 24-30 | 1075 | 1020 | 24-30 | 1115 | 1050 | 28-33 |
| 1000 | 40 | 410 | 550 | 650 | 1960 | 900 | 750 | 2226 | 1500 | 580 | 2380 | 785 | 863 | 1175 | 1120 | 28-30 | 1175 | 1120 | 28-30 | 1230 | 1160 | 28-36 |
| 1200 | 48 | 470 | 630 | 760 | 2250 | 1000 | 925 | - | - | - | 1640 | 785 | 863 | 1375 | 1320 | 32-30 | 1405 | 1340 | 32-33 | 1455 | 1380 | 32-39 |
| 1400 | 56 | 530 | 710 | 850 | 2435 | 1000 | 925 | - | - | - | 2886 | - | - | 1575 | 1520 | 36-30 | 1630 | 1560 | 36-36 | 1675 | 1590 | 26-42 |
| 1600 | 64 | 600 | 790 | 1030 | 2780 | 1000 | 925 | - | - | - | 3156 | - | - | 1790 | 1730 | 40-30 | 1830 | 1760 | 40-36 | 1915 | 1820 | 40-48 |
| 1800 | 72 | 670 | 870 | 1230 | 3020 | 1100 | 980 | - | - | - | 3421 | - | - | 1990 | 1930 | 44-30 | 2045 | 1970 | 44-39 | 2115 | 2020 | 48-42 |
| 2000 | 80 | 760 | 950 | 1350 | 3270 | 1100 | 980 | - | - | - | 3685 | - | - | 2190 | 2130 | 48-30 | 2265 | 2180 | 48-42 | 2325 | 2230 | 48-48 |

:13372267205


