联系电话:
400-966-9098
产品详情
产品特点
1、超低水损、节能显著:在经济流速时(流速2米/秒),水头损失小于4mH2O。
2、空气隔断、自动排水:主阀关闭时,排水器自动开启、中间腔泄压为零,主阀的上下游之间实现空气隔断或零压隔断,隔断性能安全可靠。
3、节地节材、安装灵活:外形小、自重轻,结构长度仅为现有同类产品的30%;可以水平或垂直安装。

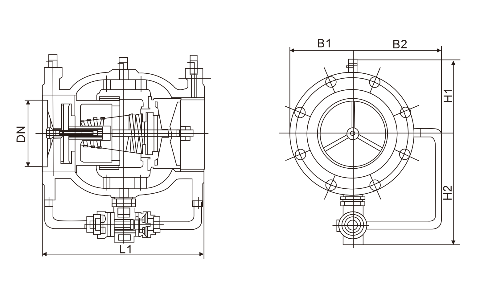
主要外形连接尺寸
| DN | 50 | 65 | 80 | 100 | 150 | 200 | 250 | 300 |
| L1 | 190 | 210 | 225 | 250 | 340 | 400 | 460 | 540 |
| H1 | 132 | 142 | 150 | 160 | 192 | 220 | 252 | 280 |
| H2 | 160 | 166 | 176 | 195 | 235 | 266 | 305 | 350 |
| B1 | 83 | 93 | 100 | 110 | 143 | 170 | 203 | 230 |
| B2 | 133 | 143 | 170 | 180 | 213 | 240 | 273 | 400 |

:13372267205


