联系电话:
400-966-9098
产品详情
产品概述
Y型法兰过滤器***有结构先进、阻力小、排污时间短、效率高、安装检修方便、成本低等特点。适用介质为水、蒸汽、油,可满足不同管道需求。
主要性能参数
| 型号 | PN | 工作压力 (Mpa) | 适用温度 (℃) | 适用介质 |
| GL41H-10 | 10 | 1.0 | ≤ 120 | 水、蒸汽、油 |
| GL41H-16 | 16 | 1.6 | ≤ 200 | 水、蒸汽、油 |
| GL41H-16Q | 16 | 1.6 | ≤ 220 | 水、蒸汽、油 |
主要零部件材料
| 型号 | 材料 | |||
| 阀体、阀盖 | 过滤网 | 螺塞 | 垫片 | |
| GL41H-10 | 灰铸铁 | 不锈钢 | 可锻铸铁 | 橡胶石棉板 |
| GL41H-16 | 灰铸铁 | 不锈钢 | 可锻铸铁 | 橡胶石棉板 |
| GL41H-16Q | 球磨铸铁 | 不锈钢 | 可锻铸铁 | 橡胶石棉板 |

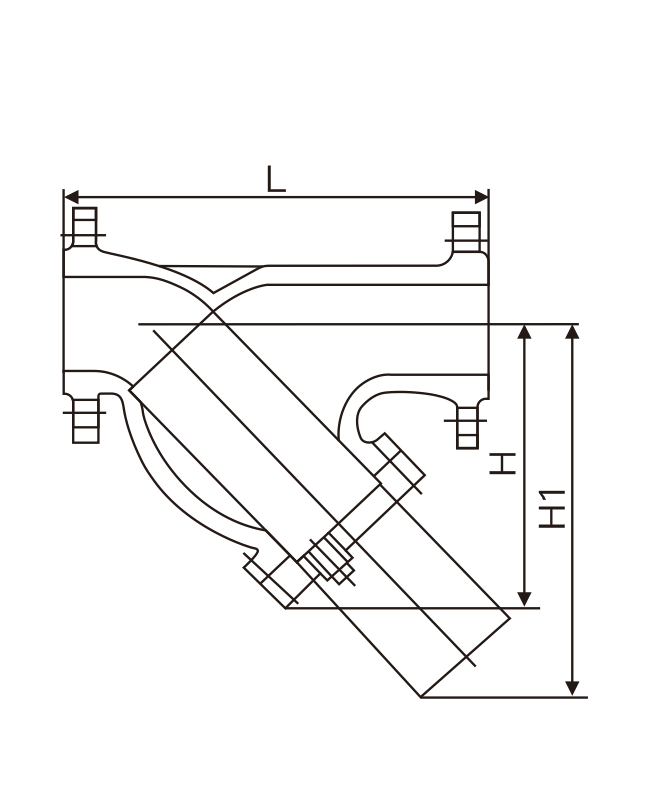
主要外形连接尺寸
| DN(mm) | 65 | 80 | 100 | 125 | 150 | 200 | 250 | 300 |
| L | 220 | 250 | 300 | 320 | 350 | 410 | 500 | 550 |
| H | 198 | 210 | 250 | 305 | 358 | 450 | 503 | 578 |
| H1 | 270 | 295 | 344 | 422 | 485 | 602 | 710 | 815 |



