联系电话:
400-966-9098
产品详情
产品概述
传动帽弹性座封闸阀采用无凹腔结构,阀体阀盖内外表面喷涂环氧树脂,闸板表面包覆橡胶,这样从根本上杜绝了腐蚀发生的可能性,阀杆密封处舍弃填料而采用“O”形密封圈,使得蜜蜂更加可靠。根据需要,本闸阀可以采用操作杆、手轮、电动及气动等方式操作。适用于饮用水、给排水、污水处理、天然气与煤气、工业以及食品等行业。
结构特点
1、整体阀盖暗杆设计,结构紧凑;阀杆螺母与闸板两体结构,无卡阻现象发生;直通道,无泄留凹腔;阀杆密封采用“O”形密封圈。
2、有优秀的防腐性能,壳体内,外表面喷涂环氧树脂,需要时内表面衬搪瓷;连接螺栓采用内六角螺栓,顶部胶封。
3、可靠的卫生性环氧树脂符合卫生标准GB/T17219-1998,闸板整体包覆符合卫生检验的橡胶;阀杆、阀杆螺母等零件采用不受水腐蚀的不锈钢或青铜等到材料。
主要零件材料
| 序号 | 名称 | 材料 | 序号 | 名称 | 材料 |
| 1 | 阀体 | 球墨铸铁 | 8 | 止推垫 | 锡青铜 |
| 2 | 闸板 | 球墨铸铁外覆EPDM | 9 | 轴套 | 锡青铜 |
| 3 | 螺栓 | 镀锌 | 10 | 螺栓 | 镀锌 |
| 4 | 密封圈 | NBR | 11 | 轴盖 | 球墨铸铁 |
| 5 | 阀盖 | 球墨铸铁 | 12 | 防尘罩 | NBR |
| 6 | 阀杆 | 不锈钢 | 13 | 手轮 | 铸铁 |
| 7 | "O”形密封圈 | NBR | 14 | 紧固螺母 | 镀锌 |

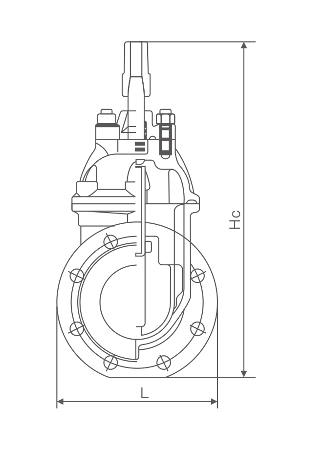
主要外形连接尺寸
| DN | 50 | 65 | 80 | 100 | 125 | 150 | 200 | 250 | 300 | 350 | 400 | 450 | 500 | 600 |
| L | 178 | 190 | 203 | 229 | 254 | 267 | 292 | 330 | 356 | 381 | 406 | 432 | 457 | 508 |
| HA | 313 | 332 | 372 | 424 | 497 | 562 | 680 | 837 | 948 | 1010 | 1220 | 1280 | 1480 | 1665 |
| HC | 355 | 375 | 415 | 476 | 540 | 600 | 720 | 875 | 990 | 1050 | 1245 | 1310 | 1560 | 1750 |

:13372267205


