联系电话:
400-966-9098
产品详情
产品概述
电站升降式止回阀支管两端为焊结结构,焊结坡口可按标准或用户要求制作,适用于火电厂、石油化工、冶金等高温高压的水、蒸气、油品、过热蒸汽的管道上作防止介质回流的装置。一种是遵循ANSIB16.34和JIS E101标准的引进型;另一种是Jb3595标准的国标型。其遵循的温度、压力等级是一致的,在一些管道中存在着某种互换关系。中部采用无阀盖压力自紧式,在高温高压工况下***有良好的密封性能。自密封圈有两种材料:一种是低碳钢,另一种是柔性石墨夹316丝(网)。密封面堆焊钻基硬质合金。其加工后的纯金属层≥3mm,***有耐磨、耐高温、抗腐蚀、抗擦伤、使用寿命长。
结构特点
1、 阀瓣整体淬火,并能在阀体上下移动,介质倒流时,借介质压力和弹簧自动阀瓣关闭。
2、 阀体、阀盖均为模锻件。
3、 阀座上的密封面采用钴基硬质合金等离子喷焊面成。耐磨、抗擦伤性能好。
4、止回阀应安装在水平管道上介质流向从下往上流(正流)。
主要性能规范
| 公称压力PN(MPa) | 试验压力Ps(MPa) | 工作压力 | 工作温度(度) | 适用介质 | |||
| 强度 | 密封(液) | P54 | P55 | P57 | |||
| 10.0 | 15.0 | 11.0 | ≤425 | 水、蒸气、油品 | |||
| 16.0 | 24.0 | 17.6 | |||||
| 20.0 | 30.0 | 22.0 | |||||
| 25.0 | 37.5 | 27.5 | |||||
| 32.0 | 48.0 | 36.0 | |||||
| P5410 | 30.0 | 22.0 | 10 | ≤540 | 蒸汽 | ||
| P5414 | 37.5 | 27.5 | 14 | ||||
| P5417 | 48.0 | 36.0 | 17 | ||||
| P5510 | 37.5 | 27.5 | 10 | ≤550 | |||
| P5514 | 48.0 | 36.0 | 14 | ||||
| P5517 | 53.0 | 39.0 | 17 | ||||
| P5710 | 48.0 | 36.0 | 10 | ≤570 | |||
| P5714 | 55.0 | 40.0 | 14 | ||||
| P5717 | 60.0 | 44.0 | 17 | ||||

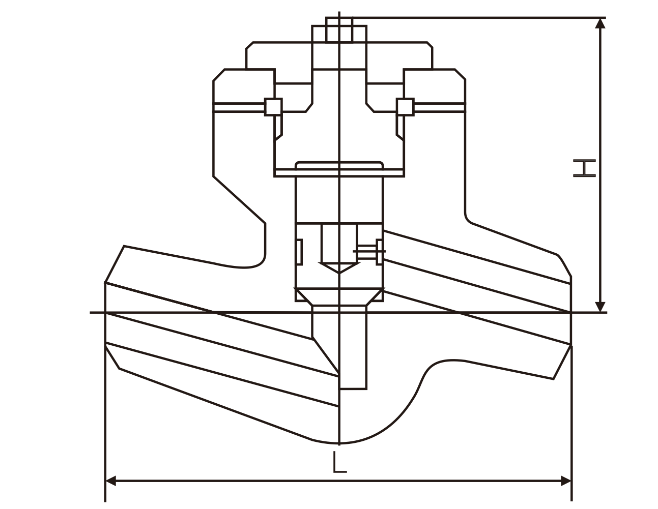
主要外形连接尺寸
| 型号 | DN(mm) | L | H | WT(Kg) |
| H61Y-250 H61Y-P54140V H61Y-P54170V H61Y-P57170V | 10 | 120 | 156 | 2.5 |
| 15 | 216 | 200 | 8.5 | |
| 20 | 229 | 210 | 9 | |
| 25 | 254 | 210 | 10 | |
| 32 | 279 | 245 | 14 | |
| 40 | 305 | 270 | 21 | |
| 50 | 368 | 300 | 28 | |
| 65 | 419 | 412 | - | |
| 80 | 470 | 370 | - | |
| 100 | 546 | 418 | - |

:13372267205


