联系电话:
400-966-9098
产品详情
产品概述
氨气截止阀是一种无腐蚀气体氨气、液氨专用阀门,液氨截止阀专为氨气,燃气的管路或装置设计。结构上注意了防火要求。填料采用聚四氟乙烯,氨气截止阀密封面为巴氏合金密封,密封可靠、暗杠设计,**无外漏。密封副材料采用聚四氟乙烯或尼龙对阀体本体材料,为软密封。适用于氨气,液化石油气管路系统,作为启闭装置,也适用于其他温度≤80℃的管路。
结构特点
1、产品结构合理、密封可靠、性能优良、造型美观。
2、密封面堆焊Co基硬质合金,耐磨、耐蚀、抗擦伤性能好、使用寿命长。
3、阀杆经调质及表面氮化处理,有良好的抗腐性及抗擦伤性。
4、阀门设有倒密封结构,密封可靠。
5、零件材质及法兰尺寸可根据实际工况或用户要求合理选配,满足各种工程需要。

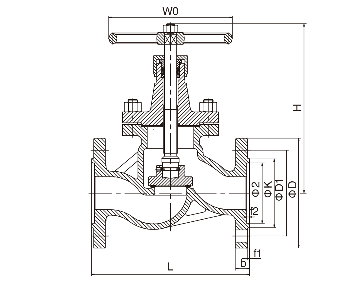
主要外形连接尺寸
| DN(mm) | L | D | D1 | K | D2 | b | f1 | f2 | Z-d | H | W0 | ||
| J41B-25C、J41B-25Q、J41B-25K | |||||||||||||
| 10 | 130 | 90 | 60 | 40 | 35 | 16 | 2 | 4 | 4-14 | 196 | 120 | ||
| 15 | 130 | 95 | 65 | 45 | 40 | 16 | 2 | 4 | 4-14 | 196 | 120 | ||
| 20 | 150 | 105 | 75 | 58 | 51 | 18 | 2 | 4 | 4-14 | 196 | 120 | ||
| 25 | 160 | 115 | 85 | 68 | 58 | 18 | 2 | d | 4-14 | 201 | 120 | ||
| 32 | 180 | 140 | 100 | 78 | 66 | 18 | 2 | 4 | 4-18 | 208 | 120 | ||
| 40 | 200 | 150 | 110 | 88 | 76 | 18 | 3 | d | 4-18 | 248 | 160 | ||
| 50 | 230 | 165 | 125 | 102 | 88 | 20 | 3 | 4 | 4-18 | 248 | 160 | ||
| 65 | 290 | 185 | 145 | 122 | 110 | 22 | 3 | 4 | 8-18 | 321 | 240 | ||
| 80 | 310 | 200 | 160 | 138 | 121 | 24 | 3 | 4 | 8-18 | 325 | 240 | ||
| 100 | 350 | 235 | 190 | 162 | 150 | 24 | 3 | 4.5 | 8-22 | 371 | 280 | ||
| 125 | 400 | 270 | 220 | 188 | 176 | 26 | 3 | 4.5 | 8-26 | 400 | 320 | ||
| 150 | 480 | 300 | 250 | 218 | 204 | 28 | 3 | 4.5 | 8-26 | 432 | 320 | ||
| DN(mm) | L | D | D1 | K | D2 | b | f1 | f2 | Z-d | H | W0 | ||
| J41B-40C、J41B-40Q、J41B-40K | |||||||||||||
| 15 | 130 | 95 | 65 | 45 | 40 | 16 | 2 | 4 | 4-14 | 165 | 110 | ||
| 20 | 150 | 105 | 75 | 58 | 51 | 18 | 2 | 4 | 4-14 | 170 | 120 | ||
| 25 | 160 | 115 | 85 | 68 | 58 | 18 | 2 | 4 | 4-14 | 195 | 120 | ||
| 32 | 180 | 140 | 100 | 78 | 66 | 18 | 2 | 4 | 4-18 | 200 | 140 | ||
| 40 | 200 | 150 | 110 | 88 | 76 | 18 | 3 | 4 | 4-18 | 247 | 160 | ||
| 50 | 230 | 165 | 125 | 102 | 88 | 20 | 3 | 4 | 4-18 | 265 | 180 | ||
| 65 | 290 | 185 | 145 | 122 | 110 | 22 | 3 | 4 | 8-18 | 310 | 220 | ||
| 80 | 310 | 200 | 160 | 138 | 121 | 24 | 3 | 4 | 8-18 | 340 | 240 | ||
| 100 | 350 | 235 | 190 | 162 | 150 | 24 | 3 | 4.5 | 8-22 | 380 | 280 | ||

:13372267205


