联系电话:
400-966-9098
产品概述
燃气管道法兰球阀主要用于接通或阻断管路介质,尤以用在要求迅速开闭的部位更佳,如应急卸荷等处。由于其***有结构简单、零件少、重量轻、密封性能好等优点,应用日趋广泛。主要由阀体、阀盖、密封阀座、球体和阀杆等组成。带孔的球体是球阀的问芯,球体受阀杆的转动来控制启闭,旋转即是全程的开关。
结构特点
燃气管道法兰球阀采用成形聚四氟乙烯填料,适用于大多数高中压燃气输送场合,手柄操作力矩平稳,O形密封圈用来防止外部杂质进入阀门内部。并保持阀门长期密封性能,大于DN150的球阀采用蜗轮驱动。
主要性能参数
公称压力(MPa) | 壳体试验 | 密封试验 | 适用介质 | 适用温度 |
1.6 | 2.4 | 1.76 | 液化气、天然气等 | -40~+80℃ |
2.5 | 3.75 | 2.75 | ||
4.0 | 6.0 | 4.4 |
主要零件材料
阀体、阀盖 | 阀杆、球体 | 密封面 | 填料 |
WCB/不锈钢 | 不锈钢 | 不锈钢和聚四氟乙烯 | 聚四氟乙烯 |

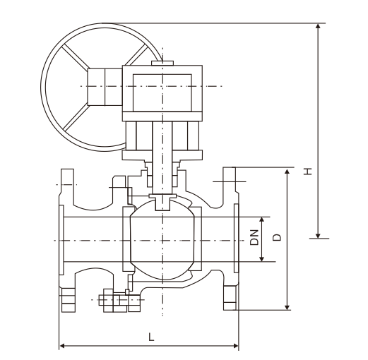
| 公称压力 | DN | 125 | 150 | 200 | 250 | 300 |
| PN1.6MPa | L | 356 | 394 | 457 | 533 | 610 |
D | 245 | 280 | 335 | 405 | 460 | |
H | 542 | 572 | 638 | 828 | 948 | |
WT(kg) | 110 | 130 | 200 | 245 | 500 |
主要外形连接尺寸
| 公称压力 | DN | 100 | 125 | 150 | 200 | 250 | 300 |
| PN2.5MPa | L | 305 | 381 | 403 | 502 | 568 | 648 |
D | 230 | 270 | 300 | 360 | 425 | 485 | |
H | 528 | 547 | 592 | 791 | 926 | 948 | |
WT(kg) | 90 | 130 | 170 | 250 | 385 | 625 | |
| PN4.0MPa | L | 306 | 381 | 403 | 502 | 568 | 648 |
D | 230 | 270 | 300 | 375 | 445 | 510 | |
H | 528 | 547 | 592 | 791 | 926 | 948 | |
WT(kg) | 95 | 135 | 175 | 265 | 524 | 665 |

:13372267205


