联系电话:
400-966-9098
电动敞开式插板阀
产品概况
产品型号:KF941X
公称通径:DN400~2800mm
公称压力:0.05~0.25MPa
适用温度:200℃(硅橡胶),300℃(氟橡胶)
驱动方式:电动、液动、气动、电液动
适用介质:空气、加热炉煤气、高炉煤气、转炉煤气、烟气等
阀体材质:碳钢、橡胶、铬钢
设计标准:API 600、API6D、ASME B16.34、GB/T 12234
结构长度:ASME B16.10、API6D、GB/T 12221
连接标准:ASME B16.5、ASME B16.47、GB/T 9113、JB/T 79、HG/T 20592
压力试验:API 598、GB/T 13927、JB/T 9092
压力-温度等级:ASME B16.34 、GB/T 12224
结构特点及用途
本阀为敞开式设计结构,***有重量轻,易维护(密封胶圈更换、电动装置维护检查、更换、阀门的局部维护均在外部,不影响阀门正常运行),阀门的运动过程、开关状态直观性好,启闭后检查完成状态极为方便,***有封闭式不可替代的优势,缺点是启闭时有少量的煤气外漏。压紧传动机构采用齿圈、齿轮、梯形螺纹、丝杆副同步双向压紧。左、右旋梯形螺纹丝杆同步压紧的优点是;起动力矩小,螺纹副自锁性好,阀门密封可靠板移动采用销齿轮传动机构,不易积灰,满足了粉尘多、润滑条件差、工作环境恶劣的场合使用。
本阀地面可配置防爆型控制柜,实行现场控制和远距离与PLC系统连接控制,设计距离10米以上。

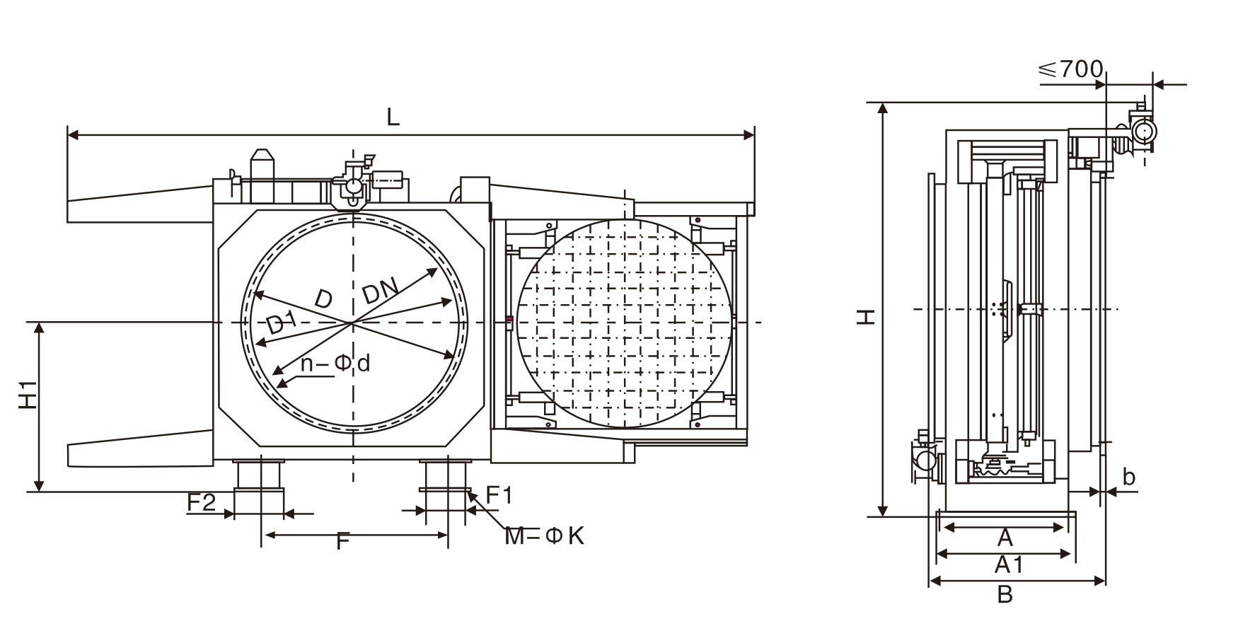
主要外形尺寸
| DN | D | D1 | B | b | n-d | H | H1 | L | A | A1 | F | F1 | F2 | M-K | 电动功率(kw) | 重量(kg) | ||||
| 走板 | 夹板 | PN0.05 | PN0.10 | PN0.15 | PN0.25 | |||||||||||||||
| 400 | 540 | 495 | 600 | 18 | 16-22 | 1300 | 350 | 2210 | 600 | 680 | 500 | 160 | 220 | 4-23 | 1.1 | 1.5 | 880 | 960 | ||
| 450 | 595 | 550 | 600 | 18 | 16-22 | 1520 | 400 | 2400 | 600 | 680 | 500 | 160 | 220 | 4-23 | 1.1 | 1.5 | 980 | 1060 | ||
| 500 | 645 | 600 | 600 | 18 | 20-26 | 1600 | 450 | 2540 | 600 | 680 | 500 | 160 | 220 | 4-23 | 1.1 | 1.5 | 1050 | 1180 | ||
| 600 | 755 | 705 | 800 | 24 | 24-26 | 1750 | 500 | 2720 | 600 | 680 | 900 | 280 | 340 | 8-23 | 1.1 | 1.5 | 1150 | 1280 | ||
| 700 | 860 | 810 | 800 | 24 | 24-30 | 1884 | 720 | 2815 | 600 | 680 | 950 | 280 | 340 | 8-23 | 1.1 | 1.5 | 1210 | 1320 | ||
| 800 | 975 | 920 | 800 | 24 | 24-30 | 1970 | 800 | 3115 | 600 | 680 | 1045 | 280 | 340 | 8-23 | 1.5 | 1.5 | 1450 | 1600 | ||
| 900 | 1075 | 1020 | 800 | 24 | 24-30 | 2086 | 880 | 3640 | 600 | 680 | 1250 | 280 | 340 | 8-23 | 2.2 | 2.2 | 1840 | 2050 | ||
| 1000 | 1175 | 1120 | 800 | 24 | 28-30 | 2250 | 960 | 3940 | 820 | 910 | 1250 | 280 | 340 | 8-23 | 2.2 | 2.2 | 2180 | 2450 | ||
| 1200 | 1375 | 1320 | 1200 | 26 | 32-30 | 2837 | 1165 | 5930 | 1100 | 1180 | 1060 | 480 | 560 | 8-33 | 1.1 | 2.2 | 2600 | 2800 | ||
| 1400 | 1575 | 1520 | 1200 | 26 | 36-30 | 3057 | 1285 | 6530 | 1100 | 1220 | 1400 | 480 | 560 | 8-33 | 1.1 | 1.5 | 3250 | 3550 | ||
| 1600 | 1790 | 1730 | 1200 | 32 | 40-30 | 3257 | 1385 | 7130 | 1100 | 1180 | 1560 | 480 | 560 | 8-33 | 1.5 | 1.5 | 4350 | 4750 | ||
| 1800 | 1990 | 1930 | 1400 | 32 | 44-30 | 3400 | 1428 | 7730 | 1100 | 1180 | 1750 | 230 | 560 | 8-33 | 2.2 | 2.2 | 5100 | 5600 | ||
| 2000 | 2190 | 2130 | 1400 | 32 | 48-30 | 4010 | 1850 | 8400 | 1200 | 1280 | 1800 | 230 | 560 | 8-33 | 2.2 | 2.2 | 5760 | 6250 | ||
| 2200 | 2405 | 2340 | 1600 | 32 | 52-30 | 4110 | 1950 | 9050 | 1200 | 1280 | 1900 | 230 | 560 | 8-33 | 2.2 | 2.2 | 7050 | 7750 | ||
| 2400 | 2605 | 2540 | 1600 | 32 | 56-33 | 4365 | 2050 | 9600 | 1200 | 1280 | 2360 | 230 | 560 | 8-33 | 2.2 | 2.2 | 8250 | 9050 | ||
| 2600 | 2805 | 2740 | 1800 | 34 | 60-33 | 4375 | 2141 | 8567 | 1340 | 1410 | 2332 | 300 | 600 | 8-36 | 2.2 | 2.2 | 9700 | 10500 | ||
| 2800 | 2960 | 3030 | 1800 | 36 | 64-36 | 4554 | 2280 | 8925 | 1340 | 1410 | 2532 | 300 | 600 | 8-36 | 2.2 | 2.2 | 12000 | 13200 | ||

:13372267205


