联系电话:
400-966-9098
产品详情
产品概述
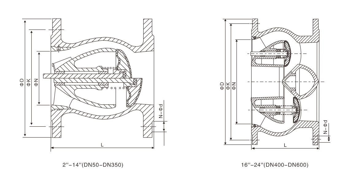
静音式止回阀由阀体、阀座、导流体、阀瓣、轴瓦及弹簧等零件组成。内部流道采用流线型设计,压力损失小,阀瓣启闭行程很短,停泵时可快速关闭,防止巨大的水锤声,形成静音效果。该阀主要用于给水、排水、消防、暖通系统,可安装于水泵出口处,防止介质倒流及水锤对泵的损坏。
产品特点
1、静音止回阀的内部流道采用流线型设计,流阻小,节能,靠自身弹簧力关闭,可防止水击。
2、停泵时其阀瓣在多弹簧关闭时间短,可达快速关闭,避免水锤产生且防止巨大水击声,形成静音效果。
3、本阀需垂直安装(阀体轴线铅垂)。

主要外形连接尺寸
| 公称通径DN(mm) | L | ΦD | ΦK | N-Φd | ||||||||
| PN10 | PN16 | PN25 | PN10 | PN16 | PN25 | PN10 | PN16 | PN25 | ||||
| 2"(DN50) | 150 | 165 | 165 | 165 | 125 | 125 | 125 | 4-Φ19 | 4-Φ19 | 4-Φ19 | ||
| 2.5"(DN65) | 170 | 185 | 185 | 185 | 145 | 145 | 145 | 4-Φ19 | 4-Φ19 | 8-Φ19 | ||
| 3"(DN80) | 180 | 200 | 200 | 200 | 160 | 160 | 260 | 8-Φ19 | 8-Φ19 | 8-Φ19 | ||
| 4"(DN100) | 190 | 220 | 220 | 235 | 180 | 180 | 190 | 8-Φ19 | 8-Φ19 | 8-Φ23 | ||
| 5"(DN125) | 200 | 250 | 250 | 270 | 210 | 210 | 220 | 8-Φ19 | 8-Φ19 | 8-Φ28 | ||
| 6"(DN150) | 210 | 285 | 285 | 300 | 240 | 240 | 250 | 8-Φ23 | 8-Φ23 | 8-Φ28 | ||
| 8"(DN200) | 230 | 340 | 340 | 360 | 295 | 295 | 310 | 8-Φ23 | 12-Φ23 | 12-Φ28 | ||
| 10"(DN250) | 250 | 405 | 405 | 425 | 350 | 355 | 370 | 12-Φ23 | 12-Φ28 | 12-Φ31 | ||
| 12"(DN300) | 270 | 460 | 460 | 485 | 400 | 410 | 430 | 12-Φ23 | 12-Φ28 | 16 -Φ31 | ||
| 14"(DN350) | 290 | 520 | 520 | 555 | 460 | 470 | 490 | 16-Φ23 | 16-Φ28 | 16-Φ34 | ||
| 16"(DN400) | 310 | 580 | 580 | 620 | 515 | 525 | 550 | 16-Φ28 | 16-Φ31 | 16-Φ37 | ||
| 18"(DN450) | 330 | 615 | 640 | 670 | 565 | 585 | 600 | 20-Φ28 | 20-Φ31 | 20-Φ37 | ||
| 20"(DN500) | 350 | 670 | 715 | 730 | 620 | 650 | 660 | 20-Φ28 | 20-Φ34 | 20-Φ37 | ||
| 24"(DN600) | 390 | 780 | 840 | 845 | 725 | 770 | 770 | 20-Φ31 | 20-Φ37 | 20-Φ40 | ||

:13372267205


