电动对夹式中线蝶阀

产品概况

产品型号:D971X

公称通径:DN50-1200mm

压力等级:PN0.6、1.0、1.6、2.5MPa

阀体材质:WCB、球墨铸铁

阀板材质:304、316、316L、1.4529、2507、铝青铜

阀座密封:NBR、EPDM、VITON、PTFE

连接方式:对夹式


产品详情
产品概述
           电动对夹式中线蝶阀是采用一体化结构,接入220V AC电源即可控制运转,也可加入控制模块,输入控制信号(4-20mA DC或1-5V DC)进行调节控制。该阀***有功能强、体积小、性能可靠等优点,配套简单,流通能力大。特别适合于介质是粘稠、含颗粒、纤维性质的场合。可选用阀板加软密封(橡胶圈、四氟圈)来减少泄漏(可达0.01%),高温高压工况可选用三偏心硬密封阀体。被广泛应用于食品、环保、轻工、石油、化工、教学设备、造纸、电力等到行业的工业过程自动控制系统中。


产品特点

    1、电动启闭,***有任意调整、止回和截止功能,操作方便,安全可靠。
2、流阻小,本阀全开时流阻系数不超过0.3。
3、当发生事故或停电时,可以通过手动操作控制蝶阀启闭。
4、可连续实现慢开、快开或快关、慢关的动作,并有效的防止了泵出口介质倒流和水锤的产生。
5、节能驱动与普通蝶阀同样的驱动电机即可实现快关段高速小转矩和慢关低段大转矩的功能。



主要技术参数

公称通径DN(mm) 50~1200
公称压力 PN0.6、1.0、1.6、2.5MPa
连接形式 对夹式
阀板形式 垂直板式
流量特性 近似快开型
动作范围 0~90°
泄露量 按GB/T4213-92,为Kv值的10-4,软密封:零泄漏
基本误差 ±2.5%
回差 ±2.5%
死区 1% (可调)
可调范围 50:1
配置执行机构 可配PSQ、HQ、UNIC、361RS、HR等系列角行程电动执行机构
控制方式 开关到位灯(开关两位控制)、智能调节(4~20mA模拟量信号控制)


主要零件材质

零件名称 材料
阀体 球墨铸钢、铸钢、合金钢、不锈钢
蝶板 灰铸铁、球墨铸钢、铸钢、不锈钢及特殊材料
密封圈 各种橡胶、聚四氟
阀杆 2Cr13、不锈钢
填料 O型圈、柔性石墨


主要性能规范

公称通径DN(mm) DN50~1200
公称压力 PN(MPa) 0.6 1.0 1.6 2.5
试验压力 强度试验 0.9 1.5 2.4 3.75
密封试验 0.66 1.1 1.76 2.75
低压气密试验 0.5~0.7
适用介质 空气、水、污水、蒸气、煤气、油品等


应用规范
设计标准 GB/T2238-1989
法兰连接尺寸 GB/T9113.1-2000;GB/T9115.1-2000;JB78
结构长度 GB/T12221-1989
压力试验 GB/T13927-2000;JB/T9092-1999


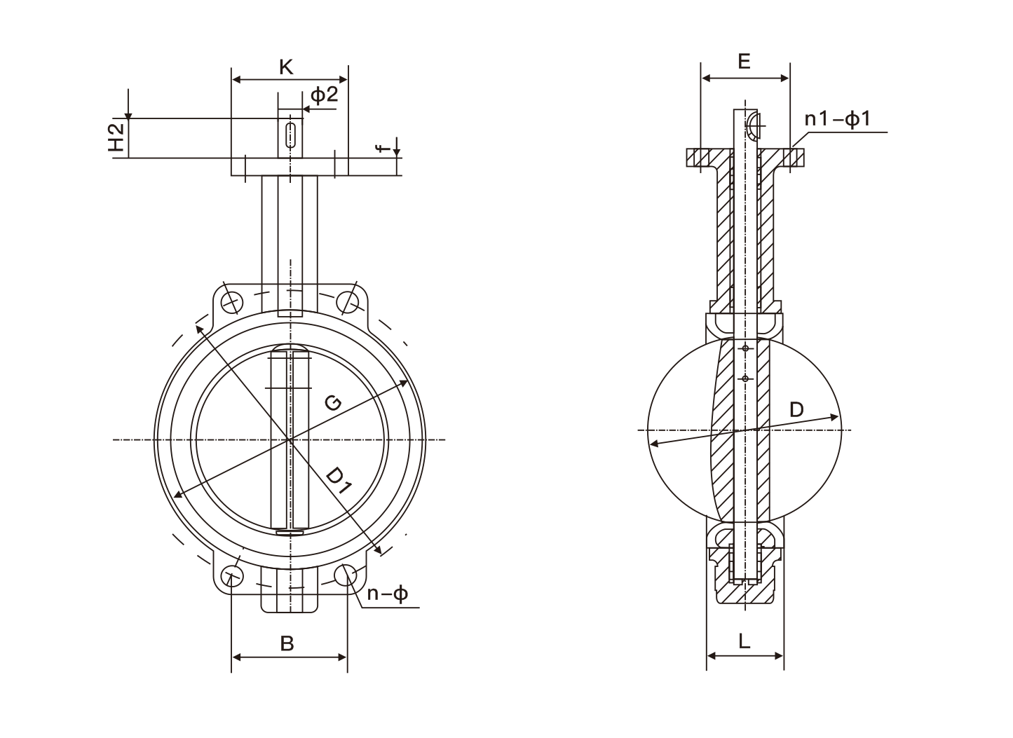
电动对夹式中线蝶阀(图1)


主要外形尺寸及重量(PN1.0/1.6MPa)

DN(mm)ABLD1n-ΦKE4-Φ1Φ2G重量WT(kg)
5014080431254-197757.154-6.712.61003.34
6515289461454-197757.154-6.712.61203.94
801599545.211608-197757.154-6.712.61274.05
10017811452.071808-199269.854-10.315.771565.48
12519012755.52108-199269.854-10.318.921907.66
15020313955.752408-239269.854-10.318.922128.5
20023817560.582958-2311588.94-14.322.126825
2502682036835012-2311588.94-14.328.4532531.4
30030624276.940012-23140107.954-14.331.640345.9
35036826776.1746016-23140107.954-14.331.643654

产品推荐