联系电话:
400-966-9098
产品详情
产品概述
美标全焊接球阀在各个领域使用非常广泛,其优越的品质和高性能的稳定性是普通铸钢球阀所无法达到的,它的使用寿命远远大于铸钢球阀,该产品广泛应用于城市燃气、集中供热、热交换机、石油化工、造船、钢铁厂、调压站、发电厂等各类管道设备上,本产品能长期可靠运行使用,无需维护,安装简单。
适用范围
城市燃气:燃气输出管道、主干线及各支线供应管道等。集中供热:大型供热设备输出管线、主干线、支线。热交换机:管道及各回路启闭。钢铁厂:各种流体管道、废气排放道、煤气和热力供应管道、燃料供应管道等。各种工业设备:各种热处理管道、各种工业煤气和热力管道。
产品特性
美标全焊接球阀是一种蜗轮传动,阀体用无缝钢管压制成型,整体结构采用全焊接制造工艺,该阀阀座是由PTFE密封环及弹簧构成,对压力和温度的变化适应能力强,在使用范围内不会产生任何泄漏。此产品球体的加工过程有先进的计算机检测仪跟踪检测,球体的加工精度高。由于阀体材料跟管道材质一样,不会出现应力不均,也不会出现由于地震及车辆经过地面时而产生变形,其密封环本体采用含量20%C(碳素)的PTFE材料,保障完全无泄漏(0%)。

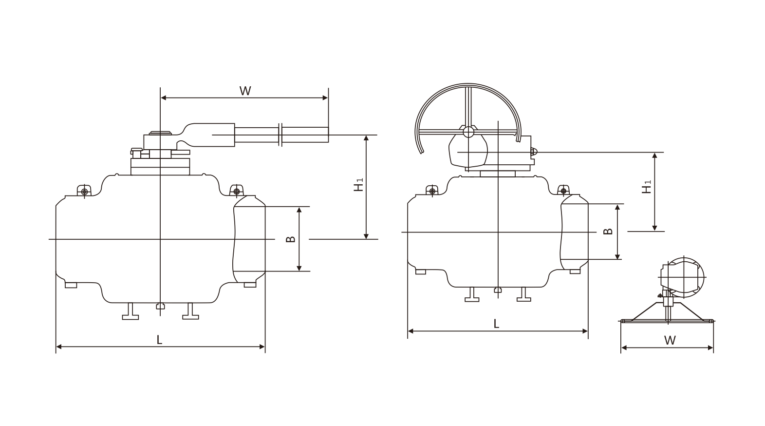
主要外形连接尺寸( Class 600)
| NPS(in) | L | H2 | P | B | WT(kg) | T(N.m) |
| 6 | 559 | 290 | 600 | 150 | 232 | 800 |
| 8x6 | 660 | 290 | 600 | 150 | 282 | 800 |
| 8 | 660 | 340 | 600 | 201 | 408 | 1600 |
| 10x8 | 787 | 340 | 600 | 201 | 491 | 1600 |
| 10 | 787 | 380 | 600 | 252 | 650 | 2864 |
| 12x10 | 838 | 380 | 600 | 252 | 816 | 2864 |
| 12 | 8368 | 440 | 700 | 303 | 850 | 4300 |
| 14x12 | 889 | 440 | 700 | 303 | 1150 | 4300 |
| 14 | 889 | 480 | 700 | 334 | 1115 | 5200 |
| 16x12 | 991 | 440 | 700 | 303 | 1450 | 4300 |
| 16x14 | 991 | 480 | 700 | 334 | 1330 | 5200 |
| 16 | 991 | 500 | 762 | 385 | 1550 | 7000 |
| 18x16 | 1092 | 500 | 762 | 385 | 1740 | 7000 |
| 18 | 1092 | 560 | 762 | 436 | 1880 | 10600 |
| 20x18 | 1194 | 560 | 762 | 487 | 1960 | 10600 |
| 20 | 1194 | 620 | 762 | 487 | 2635 | 15000 |
| 24x20 | 1397 | 620 | 762 | 589 | 3250 | 15000 |
| 24 | 1397 | 680 | 762 | 589 | 3660 | 25000 |
| 28x24 | 1549 | 680 | 762 | 589 | 3920 | 25000 |
| 28 | 1549 | 840 | 762 | 684 | 4680 | 32000 |
| 30x28 | 1561 | 840 | 762 | 684 | 5210 | 32000 |
| 32x28 | 1778 | 840 | 762 | 684 | 5686 | 32000 |

:13372267205


