联系电话:
400-966-9098
产品详情
产品概述
ZCW黄铜电磁阀适用于空气、水、油等介质,进行液位、浓度、流量、计量或排放循环等自动控制的二位式通断切换。电磁直动式开阀结构,零压差开阀。膜片式密封,动作灵敏,开闭可靠。
产品特点
1、适用于管道中液体、气体的通断控制
2、DN8~DN50 螺纹、法兰连接可选
3、工作形式:常闭式、常开式
4、阀体材质:黄铜(锻造)、不锈钢
5、电压:AC36V、AC110V、AC220V、DC24V
6、执行标准号:JB/T 7352-2010

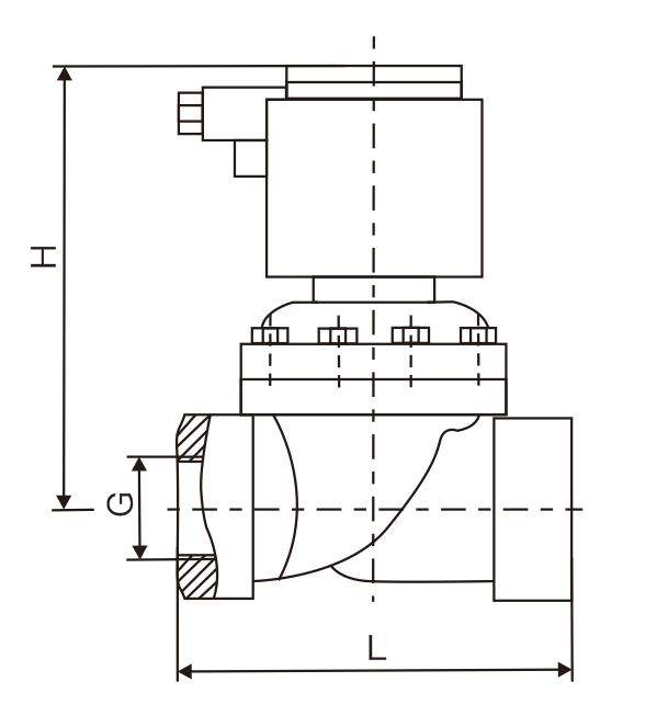
主要外形连接尺寸
| 型号规格 | 通径 (mm) | ⼯作压⼒(bar) | Kv值 (m3/h) | 螺纹型尺⼨(mm) | 法兰型尺⼨(mm) | ||||||
| G | L | H | L | H | 法兰孔距 | 安装螺丝 | |||||
| ZCW15 | 15 | B8级:0-8 BG0级:-1~0 (真空、负压) B16级:0~16 (特制) | 2.8 | 1/2″ | 90 | 160 | 101 | 185 | Φ65 | 4-Φ13.5 | |
| ZCW20 | 20 | 5.0 | 3/4″ | 100 | 195 | 105 | 210 | Φ75 | 4-Φ13.5 | ||
| ZCW25 | 25 | 10 | 1″ | 100 | 195 | 105 | 220 | Φ85 | 4-Φ13.5 | ||
| ZCW32 | 32 | 19 | 11/4″ | 112 | 205 | 122 | 240 | Φ100 | 4-Φ18 | ||
| ZCW40 | 40 | 26 | 1 1/2″ | 126 | 225 | 145 | 248 | Φ110 | 4-Φ18 | ||
| ZCW50 | 50 | 42 | 2″ | 127 | 225 | 150 | 255 | Φ125 | 4-Φ18 | ||

:13372267205


