联系电话:
400-966-9098
产品详情
产品概述
气动衬氟法兰蝶阀是由四氟密封蝶阀和气动执行器以及三联件组成。气动衬氟蝶阀是在流道、蝶板、阀杆上采用全衬(F3、F4、F46)高分子材料,***有良好的防腐性能。适用于带有腐蚀性或洁净度有一定要求工况管道上,如碱、还原剂、盐酸、硝酸、氢氟酸、王水、有机酸、强酸、浓醋和其它强腐蚀性介质。利用压缩空气为驱动,接受工业信号通过与定位器或者电磁阀的配合使用达到蝶阀的调节和开关。在食品、医药、化工、石油、电力、造纸等给排水、气体管道上作调节流量和截流介质的作用。
主要特点
1、设计新颖、合理、结构**,重量轻,启闭迅速。
2、操力矩小,操作方便,省力灵巧。
3、可以任何位置安装,维修方便。
4、密封件可以更换,密封性能可靠达到双向密封零泄漏。
5、密封材料耐老化、耐腐蚀,使用寿命长等特点。
主要技术参数
| 公称通径DN(mm) | 40~1200 | ||
| 公称压力PN(MPa) | 0.6 | 1.0 | 1.6 |
| 密封试验(MPa) | 0.66 | 1.1 | 1.76 |
| 强度试验(MPa) | 0.9 | 1.5 | 2.4 |
| 适用温度 | 氟橡胶:-20℃~200℃ | ||
| 适用介质 | 水、空气、天然气、油品及强腐蚀性流体 | ||
| 泄漏率 | 符合GB/T13927-92标准 | ||
| 驱动方式 | 气动 | ||
| 配置执行机构 | GT、AT、AW系列单双作用气动执行器 | ||
| 控制方式 | 开关两位控制、4~20mA模拟量信号控制 | ||
执行标准
| 设计标准 | GB/T2238-1989 |
| 法兰连接尺寸 | GB/T9113.1-2000;GB/T9115.1-2000;JB78 |
| 结构长度 | GB/T12221-1989 |
| 压力试验 | GB/T13927-2000;JB/T9092-1999 |
主要零件材料
| 零件名称 | 材料 |
| 阀体 | (球墨铸钢、铸钢、不锈钢)+F46 |
| 蝶板 | (灰铸铁、球墨铸钢、铸钢、不锈钢及特殊材料)+F46 |
| 阀杆 | 2Cr13、不锈钢 |
| 填料 | O型圈、柔性石墨 |

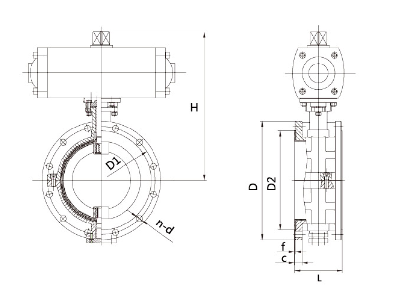
主要外形连接尺寸
| 公称通径 | NPS(inch) | L | PN 1.0Mpa | PN 1.6Mpa | H | ||||||
| DN(mm) | D | D1 | D2 | n-d | D | D1 | D2 | n-d | |||
| 40 | 1/2 | 106 | 150 | 110 | 88 | 4-Φ18 | 150 | 110 | 88 | 4-Φ18 | 136 |
| 50 | 2 | 108 | 165 | 125 | 102 | 4-Φ18 | 165 | 125 | 102 | 4-Φ18 | 143 |
| 65 | 2/2 | 112 | 185 | 145 | 122 | 8-Φ18 | 185 | 145 | 122 | 8-Φ18 | 157 |
| 80 | 3 | 114 | 200 | 160 | 138 | 8-Φ18 | 200 | 160 | 138 | 8-Φ18 | 178 |
| 100 | 4 | 127 | 220 | 180 | 158 | 8-Φ18 | 220 | 180 | 158 | 8-Φ18 | 185 |
| 125 | 5 | 140 | 250 | 210 | 188 | 8-Φ18 | 250 | 210 | 188 | 8-Φ18 | 206 |
| 150 | 6 | 140 | 285 | 240 | 212 | 8-Φ22 | 285 | 240 | 212 | 8-Φ22 | 225 |
| 200 | 8 | 152 | 340 | 295 | 268 | 8-Φ22 | 340 | 295 | 268 | 8-Φ22 | 275 |
| 250 | 10 | 165 | 395 | 350 | 320 | 12-Φ22 | 405 | 355 | 320 | 12-Φ22 | 326 |
| 300 | 12 | 178 | 445 | 400 | 370 | 12-Φ22 | 460 | 410 | 378 | 12-Φ26 | 333 |
| 350 | 14 | 190 | 505 | 460 | 430 | 16-Φ22 | 520 | 470 | 428 | 12-Φ26 | 393 |
| 400 | 16 | 216 | 565 | 515 | 482 | 16-Φ26 | 580 | 525 | 490 | 16-Φ30 | 438 |
| 450 | 18 | 222 | 615 | 565 | 532 | 20-Φ26 | 640 | 585 | 550 | 16-Φ30 | 488 |
| 500 | 20 | 229 | 670 | 620 | 585 | 20-Φ26 | 715 | 650 | 610 | 20-Φ30 | 540 |
| 600 | 24 | 267 | 780 | 725 | 685 | 20-Φ30 | 840 | 770 | 725 | 20-Φ33 | 615 |
| 700 | 28 | 292 | 895 | 840 | 800 | 24-Φ30 | 910 | 840 | 795 | 20-Φ36 | 660 |
| 800 | 32 | 318 | 1015 | 950 | 905 | 24-Φ33 | 1025 | 950 | 900 | 24-Φ36 | 720 |
| 900 | 36 | 330 | 1115 | 1050 | 1005 | 28-Φ33 | 1125 | 1050 | 1000 | 24-Φ39 | 785 |
| 1000 | 40 | 410 | 1230 | 1160 | 1110 | 28-Φ36 | 1255 | 1170 | 1115 | 28-Φ42 | 900 |
| 1200 | 48 | 470 | 1455 | 1380 | 1330 | 32-Φ39 | 1485 | 1390 | 1330 | 32-Φ48 | 1070 |

:13372267205


