联系电话:
400-966-9098
产品详情
产品概述
对夹式衬氟中线蝶阀是在过流部件、阀体、蝶板、阀杆上采用衬里技术衬里较厚的四氟材料,防腐蚀性能优良,可适用于任何浓度的酸、碱、盐及氧化剂、还原剂、有机溶剂等介质。该阀是化工、石油、医药、食品、钢铁、冶炼、造纸的管路和容器上作截流和调节设备使用的理想阀门。
结构特点
1、该阀设计新颖、合理、结构**,重量轻,启闭迅速。操力矩小,操作方便,省力灵巧。可以任何位置安装,维修方便。
2、其密封件可以更换,密封性能可靠达到双向密封小泄漏。密封材料耐老化、耐腐蚀,使用寿命长等特点。
主要零部件材料
| 零件名称 | 材料 |
| 阀体 | WCB、QT450-10、HT200、HT250 |
| 蝶板 | WCB、QT450-10、HT200、HT250 |
| 阀轴 | 2Cr13 |
| 密封圈 | 丁腈耐油橡胶 |
| 填料 | 柔性石墨 |

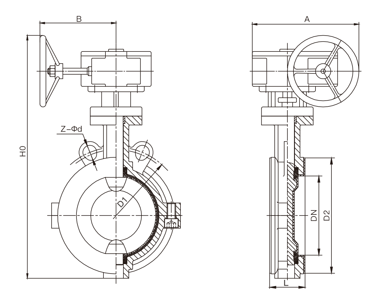
主要外形连接尺寸
| DN | L | H0 | A | B | PN6 | PN10 | PN16 | |||
| D1 | Z-Φd | D1 | Z-Φd | D1 | Z-Φd | |||||
| 50 | 43 | 306 | 180 | 200 | 110 | 4-14 | 125 | 4-18 | 125 | 4-18 |
| 65 | 46 | 321 | 180 | 200 | 130 | 4-14 | 145 | 4-18 | 145 | 4-18 |
| 80 | 46 | 346 | 180 | 200 | 150 | 4-18 | 160 | 8-18 | 160 | 8-18 |
| 100 | 52 | 387 | 180 | 200 | 170 | 4-18 | 180 | 8-18 | 180 | 8-18 |
| 125 | 56 | 411 | 180 | 200 | 200 | 8-18 | 210 | 8-18 | 210 | 8-18 |
| 150 | 56 | 447 | 270 | 280 | 225 | 8-18 | 240 | 8-22 | 240 | 8-22 |
| 200 | 60 | 572 | 270 | 280 | 280 | 8-18 | 295 | 8-22 | 295 | 12-22 |
| 250 | 68 | 646 | 270 | 280 | 335 | 12-18 | 350 | 12-22 | 355 | 12-26 |
| 300 | 78 | 738 | 380 | 420 | 395 | 12-22 | 400 | 12-22 | 410 | 12-26 |
| 350 | 78 | 761 | 380 | 420 | 445 | 12-22 | 460 | 16-22 | 470 | 16-26 |
| 400 | 88 | 877 | 450 | 470 | 495 | 16-22 | 515 | 16-26 | 525 | 16-30 |
| 450 | 107 | 938 | 480 | 490 | 550 | 16-22 | 565 | 20-26 | 585 | 20-30 |
| 500 | 127 | 993 | 480 | 490 | 600 | 20-22 | 620 | 20-26 | 650 | 20-33 |
| 600 | 154 | 1131 | 480 | 490 | 705 | 20-26 | 725 | 20-30 | 770 | 20-36 |

:13372267205


