联系电话:
400-966-9098
产品详情
产品概述
法兰式衬氟中线蝶阀是现代化工业上防腐上常见的防腐阀门,其流道、蝶板、阀杆以及所有与介质接触部位均采用全衬四氟工艺,***有良好的耐酸抗腐蚀的特性。主要用于各种化学、工业带有腐蚀性介质的管道上。适用于(50℃~150℃)的各种浓度的王水、硫酸、盐酸、氢氟酸和各种有机酸、强酸、强氧化剂,FEP还适用于各种浓度的强碱有机溶剂以及其它腐蚀性气体、液体介质,***有良好的抗腐蚀性能。该阀利用顶部扳手或者手轮机构旋转,推动阀杆带动蝶板的旋转来完成蝶阀的开关和调节。
主要技术参数
| 公称通径DN(mm) | 40~1000 | 40~1000 | |
| 公称压力PN(MPa) | 0.6 | 1.0 | 1.6 |
| 密封试验 (MPa) | 0.66 | 1.1 | 1.76 |
| 强度试验 (MPa) | 0.9 | 1.5 | 2.4 |
| 适用温度 | 丁腈橡胶:-40℃~90℃;氟橡胶:-29℃~150℃ | ||
| 适用介质 | 水、空气、天然气、油品及弱腐蚀性流体 | ||
| 泄漏率 | 符合GB/T13927-92标准 | ||
| 驱动方式 | 蜗轮传动 | ||
主要零部件材料
序号 | 零件名称 | 灰铸铁 | 铸钢 | 不锈钢 | 超低碳不锈钢 | ||
Z | C | P | R | PL | RL | ||
1 | 阀体 | HT250 | WCB | CF8 | CF8M | CF3 | CF3M |
2 | 蝶板轴/销 | 1Cr13 | 2Cr13 | 1Cr18Ni9Ti | 1Cr18Ni12Mo2Ti | 00Cr18Ni10 | 00Cr17Ni14Mo2 |
3 | 衬里层/阀座 | FEP(F46) | |||||
4 | 蝶板/填料压盖 | WCB | WCB | CF8 | CF8M | CF3 | CF3M |
5 | 支架 | WCB(碳钢) | CF8(不锈钢) | ||||
6 | 填料 | PTFE (F4) | PTFE (F4) | PTFE (F4) | |||
7 | 蝶栓 | 35 | 35 | 1Cr17Ni2 | 1Cr17Ni2 | 1Cr18Ni9 | 1Cr18Ni9 |
8 | 螺母 | 45 | 45 | 0Cr18Ni9 | 0Cr18Ni9 | 0Cr18Ni9 | 0Cr18Ni9 |

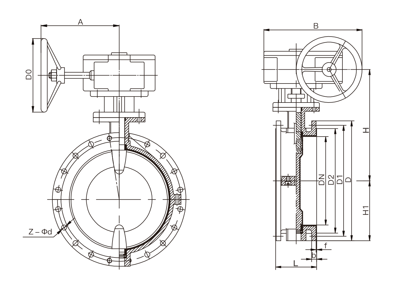
主要外形连接尺寸
| DN | L | H1 | H | A | B | PN6 | PN10 | PN16 | |||||||||
| D | D1 | D2 | Z-Φd | D | D1 | D2 | Z-Φd | D | D1 | D2 | Z-Φd | ||||||
| 50 | 108 | 63 | 306 | 180 | 200 | 140 | 110 | 90 | 4-14 | 165 | 125 | 102 | 4-18 | 165 | 125 | 102 | 4-18 |
| 65 | 112 | 70 | 321 | 180 | 200 | 160 | 130 | 110 | 4-14 | 185 | 145 | 122 | 8-18 | 185 | 145 | 122 | 8-18 |
| 80 | 114 | 83 | 346 | 180 | 200 | 190 | 150 | 128 | 4-18 | 200 | 160 | 138 | 8-18 | 200 | 160 | 138 | 8-18 |
| 100 | 127 | 105 | 387 | 180 | 200 | 210 | 170 | 148 | 4-18 | 220 | 180 | 158 | 8-18 | 220 | 180 | 158 | 8-18 |
| 125 | 140 | 115 | 411 | 180 | 200 | 240 | 200 | 178 | 8-18 | 250 | 210 | 188 | 8-18 | 250 | 210 | 188 | 8-18 |
| 150 | 140 | 137 | 447 | 270 | 280 | 265 | 225 | 202 | 8-18 | 285 | 240 | 212 | 8-22 | 285 | 240 | 212 | 8-22 |
| 200 | 152 | 164 | 572 | 270 | 280 | 320 | 280 | 258 | 8-18 | 340 | 295 | 268 | 8-22 | 340 | 295 | 268 | 12-22 |
| 250 | 250 | 206 | 646 | 270 | 280 | 375 | 335 | 312 | 12-18 | 395 | 350 | 320 | 12-22 | 405 | 355 | 320 | 12-26 |
| 300 | 270 | 230 | 738 | 380 | 420 | 440 | 395 | 365 | 12-22 | 445 | 400 | 370 | 12-22 | 460 | 410 | 378 | 12-26 |
| 350 | 290 | 248 | 761 | 380 | 420 | 490 | 445 | 415 | 12-22 | 505 | 460 | 430 | 16-22 | 520 | 470 | 428 | 16-26 |
| 400 | 310 | 289 | 877 | 450 | 470 | 540 | 495 | 465 | 16-22 | 565 | 515 | 482 | 16-26 | 580 | 525 | 490 | 16-30 |
| 450 | 330 | 320 | 938 | 480 | 490 | 595 | 550 | 520 | 16-22 | 615 | 565 | 532 | 20-26 | 640 | 585 | 550 | 20-30 |
| 500 | 350 | 343 | 993 | 480 | 490 | 645 | 600 | 570 | 20-22 | 670 | 620 | 585 | 20-26 | 715 | 650 | 610 | 20-33 |
| 600 | 390 | 413 | 1131 | 480 | 490 | 755 | 705 | 670 | 20-26 | 780 | 725 | 685 | 20-30 | 840 | 770 | 725 | 20-36 |
| 700 | 430 | 478 | 1476 | 640 | 660 | 860 | 810 | 775 | 24-26 | 895 | 840 | 800 | 24-30 | 910 | 840 | 795 | 24-36 |
| 800 | 470 | 525 | 1533 | 640 | 660 | 975 | 920 | 880 | 24-30 | 1015 | 950 | 905 | 24-33 | 1025 | 950 | 900 | 24-39 |
| 900 | 510 | 585 | 1655 | 750 | 860 | 1075 | 1020 | 980 | 24-30 | 1115 | 1050 | 1005 | 28-33 | 1125 | 1050 | 1000 | 28-39 |
| 1000 | 550 | 640 | 1765 | 850 | 900 | 1175 | 1120 | 1080 | 28-30 | 1230 | 1160 | 1110 | 28-36 | 1255 | 1170 | 1115 | 28-42 |

:13372267205


