联系电话:
400-966-9098
产品详情
产品概述
升降式衬氟止回阀又称逆止阀,阀体内部流道密封均采用全衬四氟,***有强度高、耐腐蚀性能好的特点。其适用在-50℃~150℃的各种浓度的王水、硫酸、盐酸、氢氟酸和各种有机酸、强酸、强氧化剂,FEP还适用于各种浓度的强碱有机溶剂以及其它腐蚀性气体、液体介质的管路上,用来防止介质的倒流。
工作原理
升降式衬氟止回阀在使用过程中,介质按图示箭头方向流动。当介质按规定方向流动时,阀瓣受介质力的作用,被开启;介质逆流时,因阀瓣自重和阀瓣受介质反向力的作用,使阀瓣与阀座的密封面密合而关闭,达到阻止介质逆流的目的。
主要零部件材料
序号 | 零件名称 | 灰铸铁 | 铸钢 | 不锈耐酸铸钢 | 超低碳不锈耐酸铸钢 | ||
Z | C | P | R | PL | RL | ||
1 | 阀体/阀盖 | HT250 | WCB | CF8 | CF8M | CF3 | CF3M |
2 | 阀瓣/阀杆 | 35 | 1Cr13 | 1Cr18Ni9 | 1Cr18Ni12Mo2Ti | 00Cr18Ni10 | 00Cr17Ni14Mo2 |
3 | 衬里/阀座 | PCTEF(F3),FEP(F46),PFA(可溶F4),PP,PO | |||||
4 | 紧固螺栓 | WCB | 1Cr17Ni2 | 1Cr18Ni9Ti | |||
5 | 螺母 | PTFE(F4) | CF8 | CF8 | |||

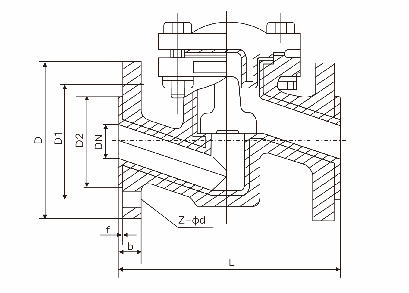
主要外形和连接尺寸
| 公称通径(DN) | 主要尺寸 | 参考值 | |||||||||
| DN mm | NPS inch | L | L1 | L2 | D | D1 | D2 | b | f | Z- φd | WT (kg) |
| PN1.0MPa | |||||||||||
| 15 | 1/ 2 | 130 | 130 | 80 | 95 | 65 | 45 | 16 | 2 | 4-φ14 | 5 |
| 20 | 3 /4 | 150 | 150 | 90 | 105 | 75 | 58 | 18 | 2 | 4-φ14 | 6 |
| 25 | 1 | 160 | 160 | 100 | 115 | 85 | 68 | 18 | 2 | 4-φ14 | 7 |
| 32 | 11/4 | 180 | 180 | 110 | 140 | 100 | 78 | 18 | 2 | 4-φ18 | 8 |
| 40 | 11/2 | 200 | 200 | 125 | 150 | 110 | 88 | 18 | 2 | 4-φ18 | 10 |
| 50 | 2 | 230 | 230 | 140 | 165 | 125 | 102 | 18 | 2 | 4-φ18 | 12 |
| 65 | 21/2 | 290 | 290 | 160 | 185 | 145 | 122 | 18 | 2 | 8-φ18 | 18 |
| 80 | 3 | 310 | 310 | 185 | 200 | 160 | 138 | 20 | 2 | 8-φ18 | 28 |
| 100 | 4 | 350 | 350 | 210 | 220 | 180 | 158 | 20 | 2 | 8-φ18 | 37 |
| 125 | 5 | 400 | 400 | 250 | 250 | 210 | 188 | 22 | 2 | 8-φ18 | 58 |
| 150 | 6 | 480 | 480 | 300 | 285 | 240 | 212 | 22 | 2 | 8-φ22 | 75 |
| 200 | 8 | 600 | 495 | 380 | 340 | 295 | 268 | 24 | 2 | 8-φ22 | 120 |
| 250 | 10 | 730 | 600 | 420 | 395 | 350 | 320 | 26 | 2 | 12-φ22 | 160 |
| PN1.6MPa | |||||||||||
| 15 | 1/ 2 | 130 | 130 | 80 | 95 | 65 | 45 | 16 | 2 | 4-φ14 | 5 |
| 20 | 3 /4 | 150 | 150 | 90 | 105 | 75 | 58 | 18 | 2 | 4-φ14 | 6 |
| 25 | 1 | 160 | 160 | 100 | 115 | 85 | 68 | 18 | 2 | 4-φ14 | 7 |
| 32 | 11/4 | 180 | 180 | 110 | 140 | 100 | 78 | 18 | 2 | 4-φ18 | 8 |
| 40 | 11/2 | 200 | 200 | 125 | 150 | 110 | 88 | 18 | 2 | 4-φ18 | 10 |
| 50 | 2 | 230 | 230 | 140 | 165 | 125 | 102 | 18 | 2 | 4-φ18 | 12 |
| 65 | 21/2 | 290 | 290 | 160 | 185 | 145 | 122 | 18 | 2 | 8-φ18 | 18 |
| 80 | 3 | 310 | 310 | 185 | 200 | 160 | 138 | 20 | 2 | 8-φ18 | 28 |
| 100 | 4 | 350 | 350 | 210 | 220 | 180 | 158 | 20 | 2 | 8-φ18 | 37 |
| 125 | 5 | 400 | 400 | 250 | 250 | 210 | 188 | 22 | 2 | 8-φ18 | 58 |
| 150 | 6 | 480 | 480 | 300 | 285 | 240 | 212 | 22 | 2 | 8-φ22 | 75 |
| 200 | 8 | 600 | 495 | 380 | 340 | 295 | 268 | 24 | 2 | 12-φ22 | 120 |
| 250 | 10 | 730 | 600 | 420 | 405 | 355 | 320 | 26 | 2 | 12-φ26 | 160 |

:13372267205


