联系电话:
400-966-9098
产品详情
产品概述
动态平衡电动调节阀是动态压差平衡阀与电动调节阀的组合,相当于在一个电动机调节阀的进出水两端设置了一个恒压装置,当系统压力变化时使电动调节阀处于恒压状态,符合电动调节阀不会因系统压力波动发生流量改变而调整阀门开度,从而增加了系统的水力稳定性。动态平衡电动调节阀广泛应用于化工、石化、石油、造纸、采矿、电力、液化气、食品、制药、给排水、市政、机械设备配套、电子工业、城建等领域。
工作原理
该阀在系统负荷波动**的变流量系统中,当系统压力变化时,其两端的压差(P1-P3)也随之变化。
1、当进口压力P1升高时,(P1-P2)增大,这时电动润阀芯向上运动,使P1、P2间开度减少,阀芯压力P2降低时,(P1-P2)间开度增大,阀芯压力P2升高。因此这种电动阀的抗干扰能力强、***有动态平衡的功能。
2、当电动执行器接受控制信号使阀轴延R旋转时,P2、P3间的开度也随之变化。由于不管系统压差(P1-P3)如何变化,P2、P3间的压差(P2-P3)始终不变,因此对应于任一开度位置,输送的水流量都是一定的,并且电动调节阀实际的流量特性曲线应不早不晚的流量特性曲线一致的,没有偏离,因此这种电动阀比传统的电动调节阀***有更好的调节特性。

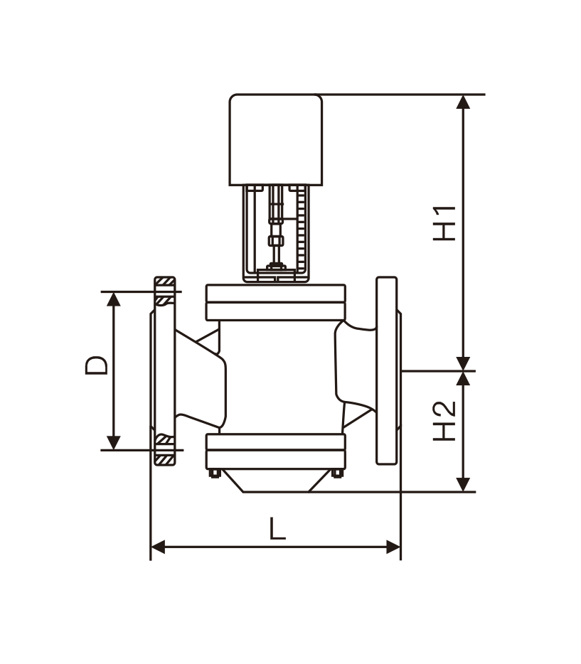
主要外型尺寸及性能参数
| PN1.0-1.6MPa | |||||||
| 型号 | 阀门形式 | 规格 | 外形及安装尺寸 | ||||
| L | H1 | H2 | D(Φ)法兰 | G螺纹 | |||
| EDRV1 | 二通丝口 | DV25 | 160 | 265 | 70 | / | G1 |
| EDRV2 | DV32 | 180 | 275 | 70 | / | G1-1/4 | |
| EDRV3 | DV40 | 300 | 290 | 90 | / | G1-1/2 | |
| EDRV4 | DV50 | 300 | 290 | 90 | / | G2 | |
| EDRV5 | 二通法兰 | DV32 | 160 | 220 | 70 | 100 | / |
| EDRV6 | DV40 | 200 | 235 | 110 | 110 | / | |
| EDRV7 | DV50 | 215 | 230 | 115 | 125 | / | |
| EDRV8 | DV65 | 230 | 238 | 120 | 145 | / | |
| EDRV9 | DV80 | 275 | 275 | 146 | 160 | / | |
| EDRV10 | DV100 | 290 | 295 | 165 | 180 | / | |
| EDRV11 | DV125 | 315 | 307 | 208 | 210 | / | |
| EDRV12 | DV150 | 350 | 326 | 205 | 240 | / | |
| EDRV13 | DV200 | 430 | 715 | 295 | 295 | / | |
| EDRV14 | DV250 | 520 | 740 | 345 | 355 | / | |

:13372267205


