联系电话:
400-966-9098
产品详情
产品概述
自力式流量平衡阀,主要是由一个自动调节阀瓣和手动调节阀瓣组成。利用介质自动的压力变化为动力,自动调节各支管路流量的平衡,准确稳定流量,同时***有开度指示,锁定、关闭等动能。适用于供热、空调等非腐蚀性介质的流量控制。运行前一次性调节,即可使系统流量自动恒定在要求的设定值。
产品用途
该阀用于供热及空调系统等非腐蚀性介质的流量控制。

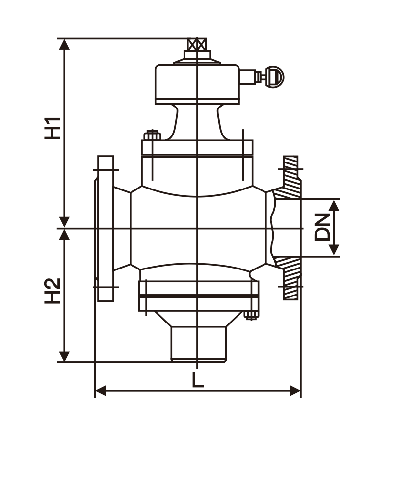
主要外形连接尺寸
| PN1.0-1.6MPa | ||||||||||||||
| DN | 15 | 20 | 25 | 32 | 40 | 50 | 65 | 80 | 100 | 125 | 150 | 200 | 250 | 300 |
| L | 110 | 110 | 115 | 160 | 200 | 215 | 230 | 275 | 290 | 315 | 350 | 520 | 635 | 670 |
| H1 | 120 | 122 | 137 | 182 | 191 | 197 | 205 | 259 | 268 | 334 | 357 | 452 | 486 | 555 |
| H2 | 70 | 70 | 74 | 91 | 147 | 147 | 154 | 181 | 211 | 227 | 260 | 367 | 430 | 495 |

:13372267205


