联系电话:
400-966-9098
产品详情
产品用途
数字锁定压差动态平衡阀用于需要进行流量控制的水系统中,尤其适用于供热、空调等非腐蚀性液体介质的流量控制。运行前一次性调节,即可使系统流量自动恒定在要求的设定值。
产品特点
1、能使系统流量自动平衡在要求的设定值;
2、能自动消除水系统中因各种因素引起的水力失调现象,保持用户所需流量,克服“冷热不均”,提高供热,空调的室温合格率;
3、能有效地克服“大流量,小温差”的不良运行方式,提高系统能效,实现经济运行。

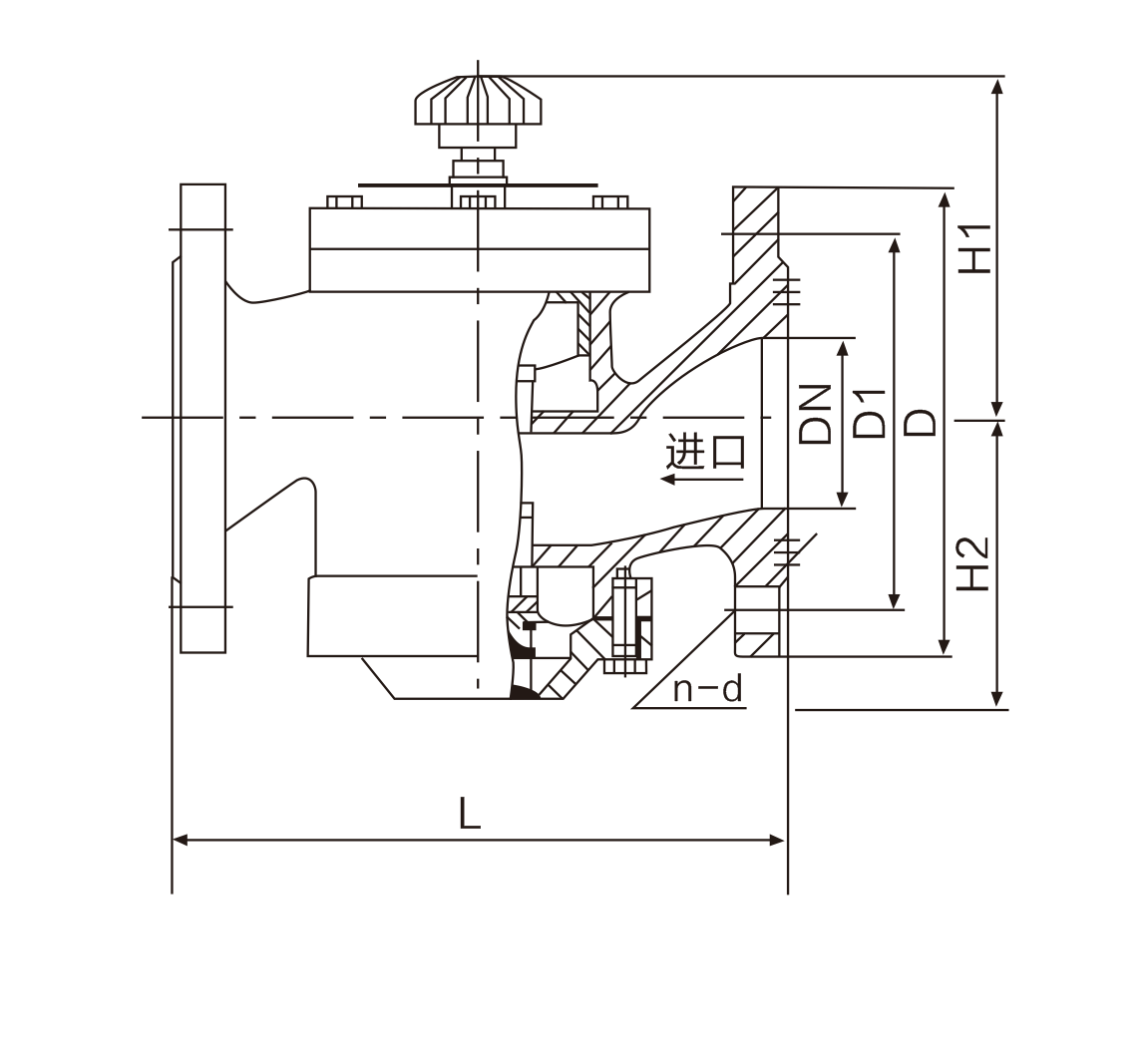
主要外形连接尺寸
| DN | L | D | D1 | n-d | H1 | H2 | 流量控制范围m³/h |
| 32 | 160 | 135 | 100 | 4-18 | 110 | 75 | 0.5~4 |
| 40 | 200 | 145 | 110 | 4-18 | 125 | 115 | 1~6 |
| 50 | 200 | 160 | 125 | 4-18 | 120 | 115 | 2~10 |
| 65 | 210 | 180 | 145 | 4-18 | 138 | 125 | 3~15 |
| 80 | 265 | 195 | 160 | 8-18 | 150 | 145 | 5~25 |
| 100 | 280 | 215 | 180 | 8-18 | 172 | 165 | 10~35 |
| 125 | 290 | 245 | 210 | 8-18 | 183 | 190 | 15~50 |
| 150 | 340 | 280 | 240 | 8-22 | 200 | 198 | 30~80 |
| 200 | 430 | 335 | 295 | 12-22 | 230 | 295 | 40~180 |
| 250 | 520 | 405 | 355 | 12-26 | 255 | 345 | 100~300 |
| 300 | 600 | 460 | 410 | 12-26 | 357 | 430 | 150~500 |
| 350 | 640 | 520 | 470 | 16-26 | 372 | 495 | 200~700 |

:13372267205


